
一、工程概況
成都華潤萬象城蘋果店是(shì)蘋果公司在成都也是(shì)西南地區的第一家旗艦店。該項目位于成都市成華區華潤萬象城内。萬象城項目是(shì)華潤集團在成都開發的大型商業綜合體,爲新落成的項目。爲滿足蘋果旗艦店的使用要求進行了大規模的結構改造,改造内容包括抽柱10根、新增鋼結構桁架、柱截面加大、靜力切割、碳纖維布粘貼加固、粘鋼加固、新增剪力牆等。工程總造價達2500萬元。本次改造加固施工于2012年3月1日開始至2012年6月10日竣工,曆時102天,按照合同工期順利完工交付。
二、工程特色
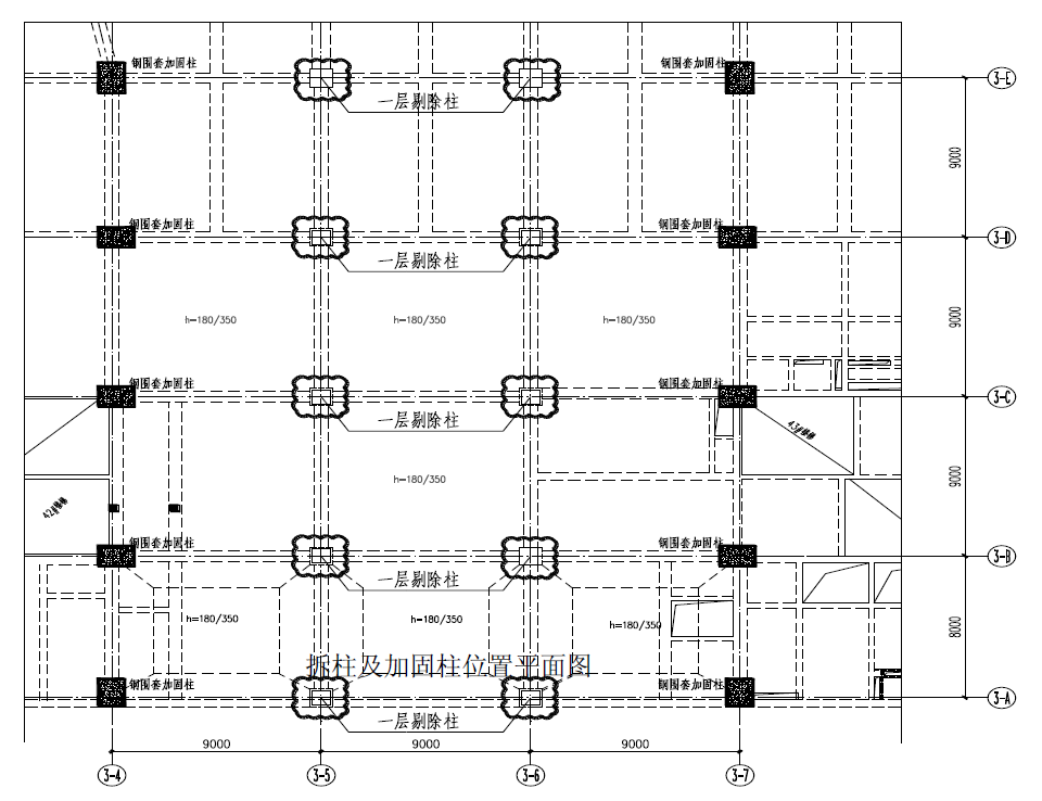
1、根據建築設計要求,抽柱10根,原結構9mx9m單跨空間變成27mx36m的大空間。10根柱爲裙房首層連續結構框架柱,裙房6層,地下(xià)3層。
2、結構改造加固造價達2500多萬元人民币。
3、大體量鋼結構室内吊裝:二層室内大型鋼構件安裝,單品鋼銜架達120噸,鋼結構總重量達800餘噸。
4、拔柱過程中,爲解決截柱後瞬間的應力釋放(fàng)過大的問題,我們采用靜力切割配合鑿除、保留部分主筋的方法,然後逐根截斷主筋來達到應力逐步釋放(fàng)的目的。
5、加固施工中的混凝土材料采用了我司研發的特種加固混凝土,保證了本工程工期和質量。
6、抽柱及加固全過程中,同濟大學結構專家對整體結構進行了實時監測,整體結構無變形。


拆除柱平面圖及二層鋼桁架立面圖


室内鋼構件吊裝


鋼桁架安裝完成 柱包鋼


柱加大截面


二層新增剪力牆